
Description
Description
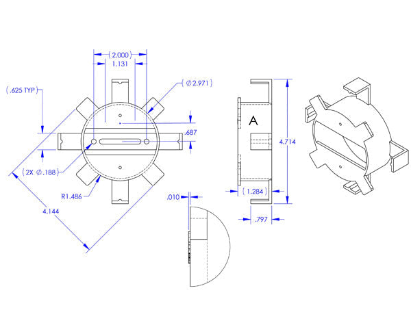
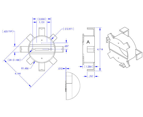
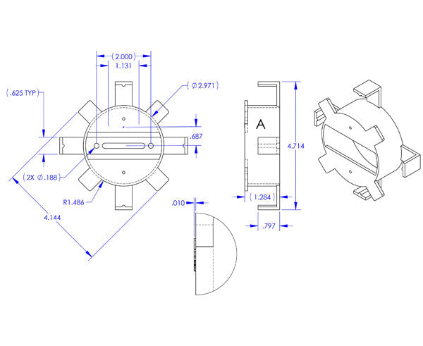
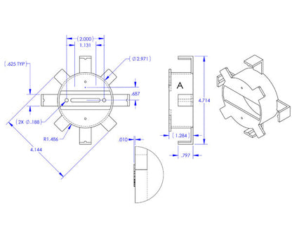
Round Spool - 1.5" Bend Radius
Round fiber management spool with a 1.5" bend radius. Blue, Plastic.
Features
Features
- Bend Radius 1.50"
- Spool x Ø4.70 flange
Specifications
Specifications
| Bend Radius | 1.5" |
| Overall Size | 1.3"H x 2x Ø3.00" Spool x 2x Ø4.70" flange |
| Material | Plastic |
| Color | Blue |
Additional Information
Additional Information
Technical Drawing

What's in the Box
What’s in the Box
- Qty 1 - Cable management round spool, 1.5" bend radius, blue plastic
